企業博客
更多>>大真空集團針對攝像頭模塊研發的壓控振蕩器DSV211AV
來源:http://m.dhuygw.com 作者:兆現電子業務部 2016年10月27
KDS晶振日本眾多同行業中最突出的一家企業,自1959年成立以來主要以石英晶振的研發、生產為集團的主要業務. 1977建立大真空(美國)有限公司開始向美國市場供應晶體諧振器.1981建立大真空(香港)公司開始提供音叉型石英晶體諧振器的香港和中國市場.1993建立了天津該公司開始音叉型石英晶體諧振器的海外生產.1996取得ISO9001(國際標準化組織質量管理標準).2000獲得ISO14001(國際標準化組織的環境管理系統).2013東京證券交易所上市第一節.

高端智能產品日益漸多,對于晶振的要求也在不斷提高,32.768K晶體已經很難滿足高端智能產品的需求,已經在逐步被淘汰.小型化石英晶體振蕩器逐步成為市場主流.壓控、溫補系列被適用于高端智能產品.
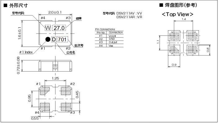
大真空集團根據市場需求研發了晶振DSV211S,該振蕩器的特性:2016mm尺寸、厚度0.72mm、超小型SMD-VCXO.雖然小型但確保充足的可變量,頻率發生線性變化模擬類型的VCXO,低消耗電流.適用于:地面數字電視播放調諧器模塊、媒體播放器、PND、DVD、數字TV、STB、攝像頭模塊.
.jpg)
.jpg)
.jpg)
兆現電子2008年獲得了大真空集團晶振業務的代理資質,主要服務于大陸企業. 代理的進口晶振品牌有:日本大真空KDS晶振,愛普生晶振,EPSON,精工晶振,SEIKO,西鐵城晶振,CITIZEN,村田諧振器,muRata,TDK,NDK貼片晶振,京瓷晶振.工業級晶振有:有源晶振,溫補振蕩器,壓控振蕩器 ,貼片晶振體積有:7050mm,6035mm,5032mm,3225mm ,2520mm,2016mm等石英晶振系列.兆現電子迎接變化,勇于創新.以客戶為上,誠信為本,明確目標,實現自身價值,用心服務于每一位客戶,讓我們的發展道路走的更寬、更遠.

高端智能產品日益漸多,對于晶振的要求也在不斷提高,32.768K晶體已經很難滿足高端智能產品的需求,已經在逐步被淘汰.小型化石英晶體振蕩器逐步成為市場主流.壓控、溫補系列被適用于高端智能產品.
大真空集團根據市場需求研發了晶振DSV211S,該振蕩器的特性:2016mm尺寸、厚度0.72mm、超小型SMD-VCXO.雖然小型但確保充足的可變量,頻率發生線性變化模擬類型的VCXO,低消耗電流.適用于:地面數字電視播放調諧器模塊、媒體播放器、PND、DVD、數字TV、STB、攝像頭模塊.
.jpg)
.jpg)
.jpg)
兆現電子2008年獲得了大真空集團晶振業務的代理資質,主要服務于大陸企業. 代理的進口晶振品牌有:日本大真空KDS晶振,愛普生晶振,EPSON,精工晶振,SEIKO,西鐵城晶振,CITIZEN,村田諧振器,muRata,TDK,NDK貼片晶振,京瓷晶振.工業級晶振有:有源晶振,溫補振蕩器,壓控振蕩器 ,貼片晶振體積有:7050mm,6035mm,5032mm,3225mm ,2520mm,2016mm等石英晶振系列.兆現電子迎接變化,勇于創新.以客戶為上,誠信為本,明確目標,實現自身價值,用心服務于每一位客戶,讓我們的發展道路走的更寬、更遠.
正在載入評論數據...
相關資訊
- [2026-04-14]Microchip推出新型千兆以太網交...
- [2026-04-14]泰藝OCXO系列引領頻控領域節能革...
- [2026-04-08]ECS振蕩器破解汽車系統電磁干擾...
- [2026-04-08]ECS超低功耗微控制器晶振
- [2026-03-31]FA2016AS小型超薄封裝賦能多領域...
- [2026-03-31]愛普生TG2520CEN高穩定性溫補振...
- [2026-03-27]TAITIEN推出VD-M高頻超低噪聲晶...
- [2026-03-27]泰藝VA-M型CMOS輸出電壓控制晶體...





