晶振分類
- 晶振系列
- 陶瓷晶振
- 陶瓷濾波器
- 微孔霧化片
- 希華晶體
- 石英晶振
- SMD晶振
- 聲表面諧振器
- NSK晶振
- TXC晶振
- 臺灣加高晶振
- 臺灣鴻星晶振
- 百利通亞陶晶振
- 臺灣泰藝晶振
- AKER晶振
- NKG晶振
- 進口晶振
- KDS晶振
- 精工晶振
- 村田晶振
- 西鐵城晶振
- 愛普生晶振
- 亞陶,嘉碩晶體
- CTS晶體
- 京瓷晶振
- NDK晶振
- 大河晶振
- 瑪居禮晶振
- 富士晶振
- NAKA晶振
- SMI晶振
- NJR晶振
- 移動設備
- 數碼電子
- 通信網絡
- 醫療電子
- 安防GPRS導航
- 汽車電子
- 歐美晶振
- Abracon晶振
- 康納溫菲爾德晶振
- 日蝕晶振
- ECS晶振
- 高利奇晶振
- 格林雷晶振
- IDT晶振
- JAUCH晶振
- Pletronics晶振
- 拉隆晶振
- Statek晶振
- SiTime晶振
- 維管晶振
- 瑞康晶振
- 微晶晶振
- AEK晶振
- AEL晶振
- Cardinal晶振
- Crystek晶振
- Euroquartz晶振
- Fox晶振
- Frequency晶振
- GEYER晶振
- KVG晶振
- ILSI晶振
- Mmdcomp晶振
- MtronPTI晶振
- QANTEK晶振
- QuartzCom晶振
- Quarztechnik晶振
- Suntsu晶振
- Transko晶振
- Wi2Wi晶振
- ACT晶振
- MTI-milliren晶振
- Lihom晶振
- Rubyquartz晶振
- Oscilent晶振
- SHINSUNG晶振
- ITTI晶振
- PDI晶振
- IQD晶振
- Microchip晶振
- Silicon晶振
- Anderson晶振
- Fortiming晶振
- CORE晶振
- NIPPON晶振
- NIC晶振
- QVS晶振
- Bomar晶振
- Bliley晶振
- GED晶振
- FILTRONETICS晶振
- STD晶振
- Q-Tech晶振
- Wenzel晶振
- NEL晶振
- EM晶振
- PETERMANN晶振
- FCD-Tech晶振
- HEC晶振
- FMI晶振
- Macrobizes晶振
- AXTAL晶振
- Sunny晶振
- ARGO晶振
- 石英晶體振蕩器
- 有源晶振
- 溫補晶振
- 壓控晶振
- 壓控溫補晶振
- 恒溫晶振
- 差分晶振
常見問題
更多>>
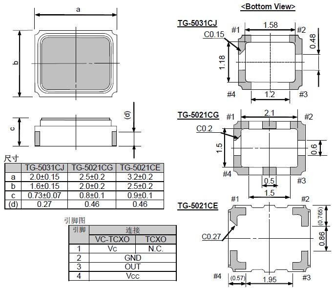
有源溫補晶振TG-5021CE,進口晶振,EPSON微波設備晶振,溫補晶振(TCXO)產品本身具有溫度補償作用,高低溫度穩定性:頻率精度高0.5 PPM-2.0 PPM,工作溫度范圍:-30度至85度,電源電壓:1.8V-3.3V之間可供選擇,產品本身具有溫度電壓控制功能,世界上最薄的"X1G003821001700"晶振封裝,頻率:26兆赫,33.6兆赫,38.4兆赫,40兆赫,因產品性能穩定,精度高等優勢,被廣泛應用到一些比較高端的數碼通訊產品領域,GPS全球定位系統,智能手機,WiMAX和蜂窩和無線通信等產品,符合RoHS/無鉛.
.jpg)
| 愛普生晶振參數 | TG-5021CE | |
| 頻率范圍 | f0 | 10.000 MHz ~ 40.000 MHz |
| 電源電壓 | VCC | 2.8 V±0.14 V (電源電壓范圍:2.3 V ~ 3.6 V) |
| 儲存溫度 | T_stg | -40°C ~ +85°C |
| 工作溫度范圍 | T_use | -30℃C ~ +85℃ |
| 頻率公差 | f_tol | ±2.0×10-6 Max. |
| 電流消耗 | ICC | 2.0mA Max. |
| 輸入電阻 | Rin | 500 kΩ Min. |
| 占空比 | SYM | 45 % to 60 % |
| 頻率負載變動特征 | f0-Load | ±0.2×10-6 Max. |
| 頻率電源電壓特征 | f0-VCC | ±0.2×10-6 Max. |
| 頻率控制范圍 | f_cont | ±5.0×10-6 ~ ±12.0×10-6 |
| 頻率變化極 | —— | 正極 |
| 輸出負載情況 | L_ECL | 50Ω |
| 輸出電壓 | Vpp | 0.8 V Min. |
| 輸出負載電容 | Load_R | 10 pF |
| 輸出負載電阻 | Load_C | 10 kΩ |
| 頻率老化 | f_aging |
±1.5 ×10-6 Max. |
.jpg)


愛普生株式會社環境活動方通過追求以QMEMS 技術為核心的“省、小、精”技術,來推動具有領先性的環?;顒?把降低 環境負荷作為一種顧客價值提供給顧客.創造并提供專研了“省、小、精”的水晶"X1G003821001700"元器件及其關聯產品;并且構筑和革新既可以降低 環境負荷又可以提高生產性的生產流程的活動.不僅遵守與環保相關的法規、條例及其他本公司贊同的要求事項,也根據需要自主性的制定基 準,通過持續性的展開環?;顒觼眍A防污染..jpg)
負性阻抗:石英水晶振子的兩端往振蕩電路看過去,排除共振子以外的所有阻抗特性質總和,"X1G003821001700"振蕩電路上必須提供足夠大的
















