晶振分類
- 晶振系列
- 陶瓷晶振
- 陶瓷濾波器
- 微孔霧化片
- 希華晶體
- 石英晶振
- SMD晶振
- 聲表面諧振器
- NSK晶振
- TXC晶振
- 臺灣加高晶振
- 臺灣鴻星晶振
- 百利通亞陶晶振
- 臺灣泰藝晶振
- AKER晶振
- NKG晶振
- 進口晶振
- KDS晶振
- 精工晶振
- 村田晶振
- 西鐵城晶振
- 愛普生晶振
- 亞陶,嘉碩晶體
- CTS晶體
- 京瓷晶振
- NDK晶振
- 大河晶振
- 瑪居禮晶振
- 富士晶振
- NAKA晶振
- SMI晶振
- NJR晶振
- 移動設備
- 數碼電子
- 通信網絡
- 醫療電子
- 安防GPRS導航
- 汽車電子
- 歐美晶振
- Abracon晶振
- 康納溫菲爾德晶振
- 日蝕晶振
- ECS晶振
- 高利奇晶振
- 格林雷晶振
- IDT晶振
- JAUCH晶振
- Pletronics晶振
- 拉隆晶振
- Statek晶振
- SiTime晶振
- 維管晶振
- 瑞康晶振
- 微晶晶振
- AEK晶振
- AEL晶振
- Cardinal晶振
- Crystek晶振
- Euroquartz晶振
- Fox晶振
- Frequency晶振
- GEYER晶振
- KVG晶振
- ILSI晶振
- Mmdcomp晶振
- MtronPTI晶振
- QANTEK晶振
- QuartzCom晶振
- Quarztechnik晶振
- Suntsu晶振
- Transko晶振
- Wi2Wi晶振
- ACT晶振
- MTI-milliren晶振
- Lihom晶振
- Rubyquartz晶振
- Oscilent晶振
- SHINSUNG晶振
- ITTI晶振
- PDI晶振
- IQD晶振
- Microchip晶振
- Silicon晶振
- Anderson晶振
- Fortiming晶振
- CORE晶振
- NIPPON晶振
- NIC晶振
- QVS晶振
- Bomar晶振
- Bliley晶振
- GED晶振
- FILTRONETICS晶振
- STD晶振
- Q-Tech晶振
- Wenzel晶振
- NEL晶振
- EM晶振
- PETERMANN晶振
- FCD-Tech晶振
- HEC晶振
- FMI晶振
- Macrobizes晶振
- AXTAL晶振
- Sunny晶振
- ARGO晶振
- 石英晶體振蕩器
- 有源晶振
- 溫補晶振
- 壓控晶振
- 壓控溫補晶振
- 恒溫晶振
- 差分晶振
常見問題
更多>>
ConnorWinfield晶振公司是私營,基于我們的電子產品制造商.1963年合并后,Connor-Winfield主要集中在設計和制造石英計時電路和振蕩器用于各種電子產品的應用.在1990年代,Connor-Winfield擴展到其他產品領域,同時保持持續關注其核心時機的根源.
康納溫菲爾德晶振致力于以一種全球負責的方式開展企業業務,這與對環境敏感的原則是一致的.我們明白,我們在維持環境方面發揮著至關重要的作用.因此,我們將積極地減少我們的業務和有源晶振產品對環境的影響.此外,我們向我們的利益相關者保證,我們遵守所有地方、州和聯邦環境法規,只要有可能,我們將努力減少我們的業務運作對環境的影響.

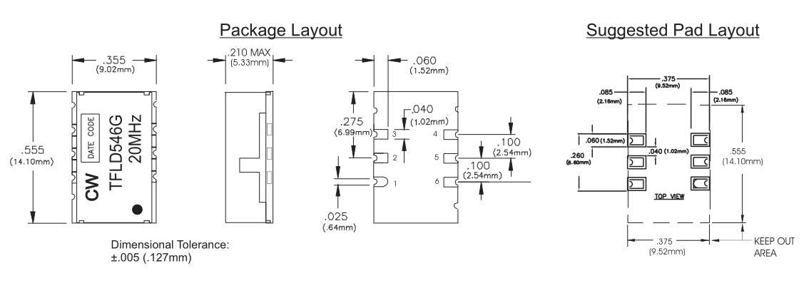
康納溫非爾德晶振,貼片晶振,TFLD546G晶振,溫補晶振(TCXO)產品本身具有溫度補償作用,高低溫度穩定性:頻率精度高0.5 PPM?2.0 PPM,工作溫度范圍: - 30度?85度,電源電壓:1.8V?3.3V之間可供選擇,產品本身具有溫度電壓控制功能,世界上最薄的晶振封裝,頻率:26兆赫,33.6兆赫,38.4兆赫,40兆赫,因產品性能穩定,精度高等優勢,被廣泛應用到一些比較高端的數碼通訊產品領域,GPS全球定位系統,智能手機,WiMAX和蜂窩和無線通信等產品,符合RoHS/無鉛.
石英晶振多層、多金屬的濺射鍍膜技術:是目前研發及生產高精度、高穩定性石英晶體元器件——石英晶振必須攻克的關鍵技術之一.石英晶振該選用何鍍材、鍍幾種材料、幾種鍍材的鍍膜順序,鍍膜的工藝方法(如各鍍材的功率設計等).使用此鍍膜方法使鍍膜后的晶振附著力增強,貼片晶振頻率更加集中,能控制在最小ppm之內.TFLD546G晶振,低電平振蕩器,溫度補償型SMD晶振
| golledge晶振 | TFLD546G晶振 |
| 頻率范圍 | 12.8~155.52MHZ |
| 工作溫度 | - 0 ~ + 70 ℃ |
| 保存溫度 | - 40 ~ + 85 ℃ |
| 電源電壓 | 3.3V |
| 輸出負載 | 15pF |
| 頻率容差 | ± 4.6 ppm |
| 頻率校準@ 25°C | ± 1.5 ppm |
| 老化率 | ±3 ppm /year. |
| 電壓卷(最大值)/ VOH(最小值) | 0.1 VDD / 0.9 VDD |
| 啟動時間 | 5 ms Max. |
| 輸出類型 | CMOS |



輻射
晶振產品暴露于輻射環境會導致石英晶體性能受到損害,因此應避免照射.TFLD546G晶振,低電平振蕩器,溫度補償型SMD晶振
化學制劑 / pH值環境
請勿在PH值范圍可能導致腐蝕或溶解進口晶振或包裝材料的環境下使用或儲藏這些產品.康納溫非爾德晶振,貼片晶振,TFLD546G晶振
粘合劑
請勿使用可能導致SMD晶振所用的封裝材料,終端,組件,玻璃材料以及氣相沉積材料等受到腐蝕的膠粘劑. (比如,氯基膠粘劑可能腐蝕一個晶體單元的金屬“蓋”,從而破壞密封質量,降低性能.)
鹵化合物
請勿在鹵素氣體環境下使用無源晶振.即使少量的鹵素氣體,比如在空氣中的氯氣內或封裝所用金屬部件內,都可能產生腐蝕.同時,請勿使用任何會釋放出鹵素氣體的樹脂.

CONNOR-WINFIELD晶振集團為確保安全、提高保護預防措施、八腳有源晶振產品的可靠性以及職業安全,確保職業健康與環境的優越性,通過正式的管理評審和對健康、安全和環境實施效果的持續改進,保護人群及財產與環境.將生產活動中的環境因素和環境影響的分析納入我們的決策中來,TFLD546G晶振,低電平振蕩器,溫度補償型SMD晶振
CONNOR-WINFIELD晶振集團建立一種可測量的發展和改進的目標指標,定期進行內審和管理評審.在現有的或新生的各種活動中不斷監測和改進環境績效.通過對高頻有源晶體生產活動的持續改進和促進對低效或無效的環境法律法規進行合理化轉變,努力提高環境管理中資本的效力. 康納溫非爾德晶振,貼片晶振,TFLD546G晶振
我們將定期對雇員進行教育和培訓,確保他們能夠安全高效的工作,樹立他們的環保責任感. 與雇員、客戶、公眾、政府及關注公司環境績效和持續改進計劃的相關方進行充分開放的信息交流.確保活動中每一分子的運作和發展都體現對12.8MHz晶振生產污染預防方針的貫徹.

深圳市兆現電子有限公司
聯系人:龔成
電話:0755--27876236聯系人:龔成
QQ:769468702
手機:13590198504
郵箱:zhaoxiandz@163.com
網站:http://m.dhuygw.com/









